聯系方式
-
聯系人:唐小姐
電 話:18028294447
傳 真:0769-85704468
郵 箱:2355938364@qq.com
網 址:m.3photogr.com
地 址:廣東東莞市大朗鎮松木山利昌路13號
您當前的位置:首頁 > 新聞中心 > 常見問題
干式單片電磁離合器的主要參數-天機傳動
2014-05-14 16:57:35 新聞來源:天機傳動
上一篇:電磁離合器選型注意點--天機傳動
下一篇:干式單片電磁離合器工作原理
電磁離合器選型的正確與否對后續的工作會有一定的影響,所以選型前我們要了解所要知道的參數,我司是專業研發干式單片電磁離合器生產廠家,下面我將列舉干式單片電磁離合器的主要參數:
型號-規格: 0.6kg 1.5kg 2.5kg 5kg 10kg 20kg 40kg 七個規格
靜摩擦轉矩:5.5Nm 11Nm 22Nm 45Nm 90Nm 175Nm 350Nm 七個規格
動摩擦轉矩:5.0Nm 10Nm 20Nm 40Nm 80Nm 160Nm 320Nm 七個規格
孔的尺寸: 12/15 15/20 20/25 25/30 30/40 40/50 50/60 七個規格
鍵槽的大小: 4/5 5/5 5/7 7/7 7/10 10/12 12/15 七個規格
注意:上述規格都是一一對應的
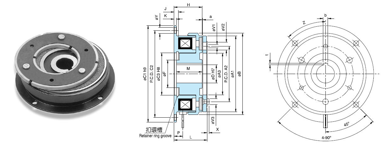
如下是TJ-A電磁離合器的平面圖:
上一篇:電磁離合器選型注意點--天機傳動
下一篇:干式單片電磁離合器工作原理




